欢迎访问我们站点,为您提供精密注塑出口模具一站式设计服务!
问:什么是直齿轮?
答:直齿是齿轮的一种分类方式,(Spur Gear)。按照一对齿轮轴线的相对位置和齿向(两周是否平行)分为平面齿轮转动和空间齿轮转动;按照齿轮的工作条件不同可分为开式传动和闭式传动;按照轮齿或齿廓的形状分为直齿、斜齿、人字齿、或直齿、曲齿。

下面我们来讲述下齿轮模具设计及制作:
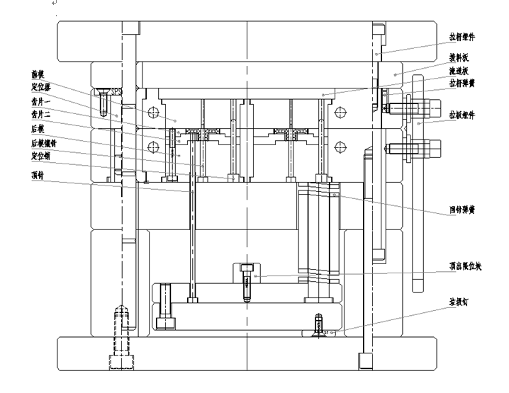
一:内模部分由齿片、齿座、镶针(或司筒)等组成,结构如下图:

1. 齿片的厚度一般要做到4-6MM,齿轮的厚度在4MM以上,齿片厚度与齿轮的厚度相同即可,如图(2)所示;若齿胶位厚度低于4MM,则齿片要加厚到6MM,以便与模胚的内孔配合良好,封胶位要做到3—5MM(图3中为4。29MM),结构形式、配合公差参考图(3);若齿形需要定位或齿片有顶针穿过时,齿片需止转;

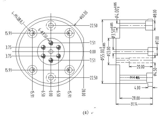
2. 齿座结构形式、配合公差参考图(4);

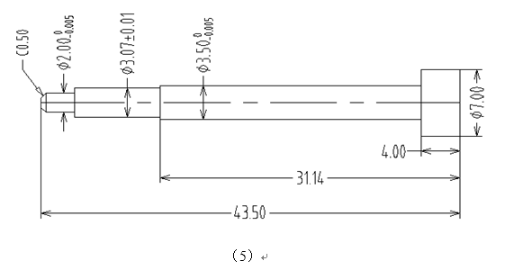
3 镶针的结构形式、配合公差参考图(5)

4.齿片的排气设计,排气一般开在齿片的底面,对于流动性较好PA、PPS等料建议先不要开排气,具体结构如图(6);

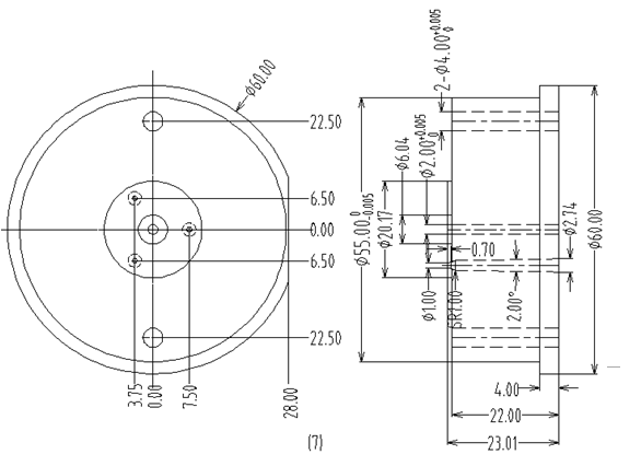
5.进胶点的设计,一般齿根圆直径在8MM以上时,采用三点进胶;小于8MM时可采用一点进胶;为保证进浇点压力对齿形的影响,浇口的位置可稍远离齿形,具体设计请参考图(7);

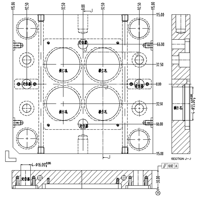
6。模胚的加工要求,模胚加工时模仁孔要求A、B板的模仁孔、定位器孔要同心,加工时A、B板装夹后,一同加工,下图为A板的模仁孔及定位器孔重点寸法的尺寸公差、形位公差,B板的标注与A板相同;

二、齿轮产品模具的基本结构:

以上资料由南通模具设计公司整理发布,著作权归原作者所有!